
Lustro na klej: Montaż krok po kroku. Uniknij błędów!
Chcesz przykleić lustro na ścianę? Poznaj sprawdzony przewodnik! Dowiedz się, jak wybrać klej, przygotować podłoże i uniknąć błędów montażu.
Cześć! Jestem Agnieszka Kowalska, autorka bloga Tumw.pl. Pasjonuję się majsterkowaniem, remontami i wszelkimi pracami domowymi. Na co dzień dzielę się z Wami praktycznymi poradami, trikami i inspiracjami dotyczącymi wykończeń wnętrz, drobnych napraw i upiększania przestrzeni domowej.
Moja przygoda z DIY zaczęła się od prostych projektów, by z czasem przerodzić się w prawdziwą pasję. Dziś, łącząc doświadczenie z ciągłą chęcią nauki, pokazuję, że prace remontowe i domowe mogą być satysfakcjonujące i dostępne dla każdego.
Na Tumw.pl znajdziecie szeroki wachlarz tematów - od malowania ścian, przez renowację mebli, aż po zaawansowane projekty wykończeniowe. Moim celem jest inspirowanie i zachęcanie Was do samodzielnego tworzenia wymarzonej przestrzeni.
Zapraszam do wspólnego odkrywania świata majsterkowania i remontów. Razem udowodnimy, że każdy może zostać domowym ekspertem!

Chcesz przykleić lustro na ścianę? Poznaj sprawdzony przewodnik! Dowiedz się, jak wybrać klej, przygotować podłoże i uniknąć błędów montażu.

Chcesz bezpiecznie wiercić w podłodze z ogrzewaniem podłogowym? Poznaj metody lokalizacji rur, techniki i co robić w razie awarii. Sprawdź nasz poradnik!

Budowa w granicy działki: poznaj zasady Prawa budowlanego. Wyjaśniamy, kiedy to możliwe, rolę MPZP, zgody sąsiada i wymogi techniczne. Sprawdź nasz poradnik!

Jak podłączyć rekuperator do istniejącej instalacji? Praktyczny poradnik o modernizacji wentylacji: planowanie, montaż, błędy i koszty. Sprawdź!

Uziemienie fotowoltaiki to obowiązek! Dowiedz się, dlaczego jest kluczowe dla bezpieczeństwa, ochrony inwestycji i zgodności z prawem. Sprawdź, co musisz wiedzieć.

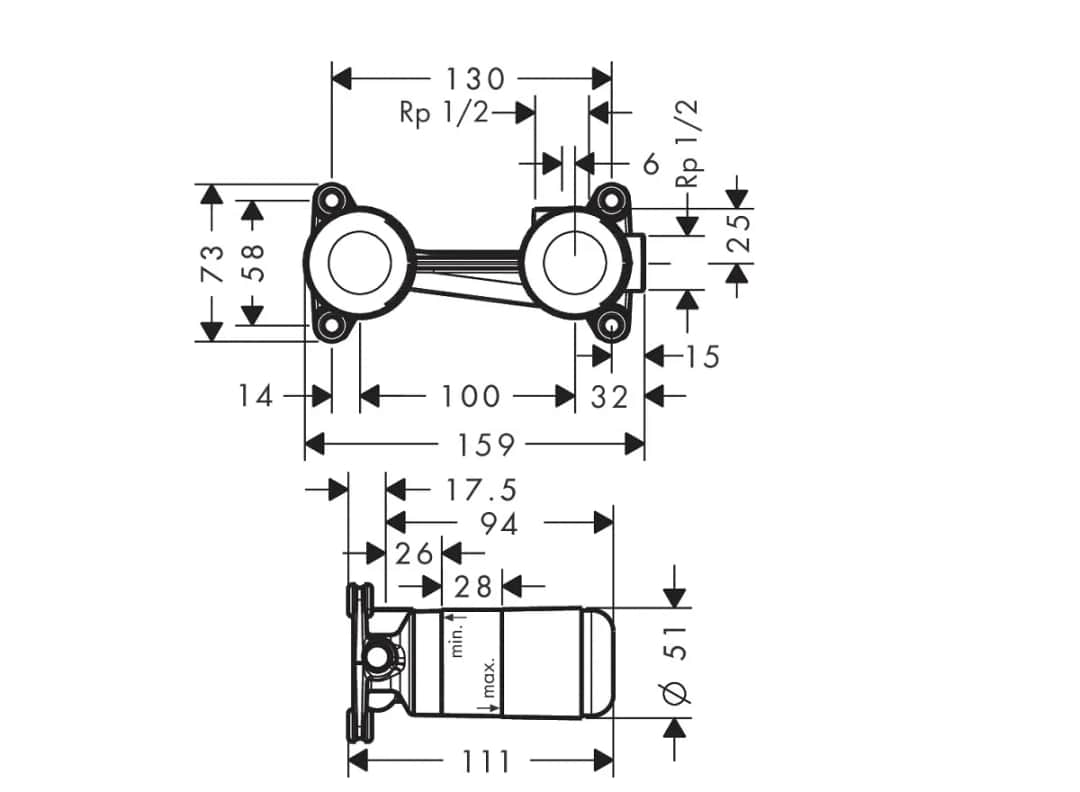
Precyzyjna głębokość montażu baterii podtynkowej to klucz! Sprawdź, jak obliczyć wymiary kucia i uniknąć kosztownych błędów w łazience.

Usuń plamy z gruntu z okien i ram bezpiecznie! Poznaj sprawdzone metody czyszczenia szyb, PCV, drewna i aluminium krok po kroku. Sprawdź, jak to zrobić!

Sprawdź aktualne ceny za położenie gładzi gipsowej w 2026 roku! Poznaj widełki cenowe, dodatkowe koszty i porady, jak zaoszczędzić na remoncie. Oszacuj budżet!

Jaki kabel Ethernet wybrać do domu? Porównujemy Cat 5e i Cat 6a. Poznaj różnice w prędkości, cenie i instalacji. Wybierz mądrze dla stabilnego internetu!

Planujesz alarm w domu parterowym? Dowiedz się, jak skutecznie rozmieścić czujki ruchu, kontaktrony i zbicia szyby. Uniknij błędów i zabezpiecz dom kompleksowo!