Ustawienie zaworów w traktorze Ursus C330 jest kluczowym elementem, który może znacząco wpłynąć na jego wydajność i trwałość. Właściwe regulacje zapewniają optymalne działanie silnika, co z kolei pozwala uniknąć kosztownych napraw w przyszłości. W tym artykule przedstawimy krok po kroku, jak przeprowadzić ten proces, aby zapewnić prawidłowe działanie wszystkich cylindrów.
Ważne jest, aby przed przystąpieniem do regulacji zaworów odpowiednio się przygotować. Należy zgromadzić wszystkie niezbędne narzędzia oraz przestrzegać zasad bezpieczeństwa. Dodatkowo, znajomość wartości luzów zaworowych oraz umiejętność lokalizacji górnego martwego punktu (TDC) są niezbędne do skutecznej regulacji. Dzięki tym informacjom, każdy właściciel traktora C330 będzie mógł samodzielnie zadbać o swój sprzęt.
Kluczowe informacje:
- Przygotowanie do regulacji zaworów wymaga odpowiednich narzędzi, takich jak miarka luzu i klucze.
- Bezpieczeństwo jest priorytetem - przed pracą odłącz akumulator.
- Ustal górny martwy punkt (TDC) dla pierwszego cylindra, aby zapewnić dokładność regulacji.
- Prawidłowe wartości luzu dla zaworów dolotowych to 0,25 mm, a dla wydechowych 0,30 mm.
- Regulacja powinna być przeprowadzona w określonej sekwencji, zaczynając od cylindra 1.
- Sprawdzaj ponownie luz po zakończeniu regulacji, aby upewnić się, że wszystko jest w porządku.
Jak przygotować się do ustawienia zaworów w C 330 dla efektywności?
Aby efektywnie ustawić zawory w traktorze Ursus C330, kluczowe jest odpowiednie przygotowanie. Przed rozpoczęciem pracy upewnij się, że silnik jest całkowicie zimny, ponieważ rozszerzalność cieplna może wpłynąć na dokładność pomiarów. Niezbędne będzie również odłączenie kabla ujemnego akumulatora, co zwiększy bezpieczeństwo podczas pracy. Niezapomniane jest, aby zgromadzić wszystkie potrzebne narzędzia, które ułatwią proces regulacji.
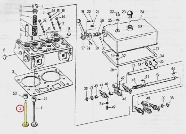
Do ustawienia zaworów w C 330 potrzebne będą takie narzędzia jak miarka luzu (feeler gauge), klucz dynamometryczny, klucz płaski, klucz nasadowy oraz mikrometr. Te akcesoria pozwolą na precyzyjne pomiary i regulacje. Pamiętaj, że odpowiednie przygotowanie i zgromadzenie narzędzi to klucz do sukcesu, a także do uniknięcia frustracji w trakcie pracy. Sprawne wykonanie tych kroków zapewni, że regulacja zaworów będzie przebiegać sprawnie i bezproblemowo.
Zbieranie niezbędnych narzędzi i materiałów do pracy
Przygotowanie odpowiednich narzędzi jest niezbędne do prawidłowego ustawienia zaworów. Oto lista kluczowych elementów, które powinieneś mieć pod ręką:
- Miarka luzu – do pomiaru odstępów między zaworami a dźwigniami.
- Klucz dynamometryczny – zapewnia odpowiedni moment dokręcania.
- Klucz płaski i klucz nasadowy – do luzowania i dokręcania nakrętek zaworowych.
- Mikrometr – przydatny do dokładnych pomiarów luzów.
Bezpieczeństwo podczas pracy z silnikiem traktora
Bezpieczeństwo jest kluczowym aspektem każdej pracy związanej z silnikiem. Przed przystąpieniem do regulacji zaworów, zawsze odłączaj akumulator, aby uniknąć przypadkowych zwarć. Upewnij się, że miejsce pracy jest dobrze oświetlone i wolne od zbędnych przedmiotów, które mogą przeszkadzać. Dobrze jest także nosić odpowiednie rękawice i okulary ochronne, aby chronić się przed ewentualnymi uszkodzeniami.
Jakie są prawidłowe wartości luzu zaworowego dla C 330?
Utrzymanie odpowiednich wartości luzu zaworowego jest kluczowe dla efektywności silnika Ursus C330. Dla tego modelu, prawidłowe wartości luzu dla zaworów dolotowych wynoszą 0,25 mm, podczas gdy dla zaworów wydechowych powinny być ustawione na 0,30 mm. Te wartości są niezbędne, aby zapewnić prawidłowe działanie silnika, co przekłada się na jego wydajność oraz długowieczność.
Nieprawidłowe ustawienie luzu zaworowego może prowadzić do wielu problemów, takich jak zmniejszona moc, zwiększone zużycie paliwa oraz potencjalne uszkodzenia silnika. Dlatego regularne sprawdzanie i dostosowywanie tych wartości jest kluczowe dla zachowania optymalnej wydajności traktora. W poniższej tabeli przedstawione są wartości luzu zaworowego dla C 330.| Typ zaworu | Wartość luzu |
| Dolotowy (Intake) | 0,25 mm |
| Wydechowy (Exhaust) | 0,30 mm |
Jak przeprowadzić proces regulacji zaworów w C 330 skutecznie?
Regulacja zaworów w traktorku Ursus C330 wymaga precyzji i odpowiedniej sekwencji działań. Proces rozpoczynamy od ustawienia zaworów dla cylindra 1. Należy najpierw poluzować nakrętkę blokującą na śrubie regulacyjnej zaworu, a następnie włożyć odpowiednią miarkę luzu (0,25 mm dla zaworu dolotowego i 0,30 mm dla wydechowego) pomiędzy trzpień zaworu a dźwignię. Regulator powinien być dokręcony tak, aby miarka poruszała się z minimalnym oporem. Po osiągnięciu właściwego luzu, nakrętka blokująca powinna być dokręcona, a ustawienie sprawdzone ponownie.
Kiedy zawory cylindra 1 są już ustawione, należy obrócić wał korbowy o 360 stopni, aby ustawić następny cylinder w pozycji TDC. Standardowa sekwencja regulacji dla silnika czterocylindrowego, jak w C330, to Cylinder 1, następnie Cylinder 2, Cylinder 3 i Cylinder 4. Ważne jest, aby podczas regulacji kolejnych cylindrów obserwować nakładanie się zaworów wydechowych i dolotowych, co pomoże w precyzyjnym ustawieniu ich luzów.
Tips for Ensuring Accuracy
Aby zapewnić dokładność regulacji, warto przestrzegać kilku podstawowych zasad. Po pierwsze, zawsze upewnij się, że silnik jest zimny przed rozpoczęciem pracy. Po drugie, korzystaj z wysokiej jakości narzędzi, takich jak miarki luzu i klucze dynamometryczne, aby uniknąć błędów pomiarowych. Regularne sprawdzanie ustawienia luzu po każdej regulacji jest kluczowe, aby upewnić się, że wszystko jest w porządku.

Jakie są najczęstsze błędy przy ustawianiu zaworów i jak ich unikać?
Podczas regulacji zaworów w traktorze Ursus C330 można popełnić kilka powszechnych błędów, które mogą prowadzić do problemów z silnikiem. Jednym z najczęstszych jest nieprawidłowe ustawienie luzu zaworowego. Zbyt mały luz może prowadzić do zatarcia zaworów, podczas gdy zbyt duży luz może powodować hałasy i obniżoną moc. Dlatego tak ważne jest, aby dokładnie przestrzegać zalecanych wartości luzu dla zaworów dolotowych i wydechowych, które wynoszą odpowiednio 0,25 mm i 0,30 mm.
Kolejnym istotnym błędem jest ignorowanie ponownego sprawdzenia ustawień po dokonaniu regulacji. Często mechanicy zapominają o tym kroku, co może prowadzić do sytuacji, w której luz zaworowy nie jest zgodny z wymaganiami. Zaleca się, aby po każdej regulacji sprawdzić, czy wartości luzu są nadal prawidłowe, aby uniknąć przyszłych problemów z silnikiem. Regularne kontrole i dbałość o szczegóły mogą znacząco wpłynąć na żywotność silnika oraz jego wydajność.
Jak dbać o długowieczność zaworów w Ursus C330 dla lepszej wydajności?
Aby zapewnić długowieczność zaworów w traktorze Ursus C330, warto wdrożyć kilka dodatkowych praktyk, które wykraczają poza standardową regulację. Regularne czyszczenie układu dolotowego i wydechowego oraz używanie wysokiej jakości oleju silnikowego mogą znacząco wpłynąć na stan zaworów. Zanieczyszczenia i niskiej jakości olej mogą prowadzić do szybszego zużycia, co z kolei przyczynia się do problemów z ustawieniem zaworów. Dlatego warto inwestować w filtry powietrza i oleju, które skutecznie eliminują niepożądane cząsteczki.
Kolejnym krokiem jest monitorowanie temperatury silnika. Przegrzanie może prowadzić do deformacji zaworów i ich gniazd, co negatywnie wpływa na działanie silnika. Zainstalowanie wskaźnika temperatury może pomóc w szybkim wykrywaniu problemów, zanim staną się one poważne. Regularne przeglądy i konserwacja, w połączeniu z odpowiednim stylem jazdy i użytkowania traktora, mogą znacząco zwiększyć efektywność i żywotność silnika.






