Podłączenie wentylatora łazienkowego do oświetlenia to zadanie, które może wydawać się skomplikowane, ale z odpowiednimi wskazówkami można je wykonać samodzielnie. W tym artykule przedstawimy krok po kroku, jak bezpiecznie podłączyć wentylator, aby działał w synchronizacji z oświetleniem w łazience. Kluczowe jest, aby przed rozpoczęciem prac wyłączyć zasilanie i upewnić się, że prąd jest wyłączony, co pozwoli uniknąć niebezpieczeństw związanych z elektrycznością.
Ważne jest również, aby odpowiednio zidentyfikować przewody oraz znać zasady ich podłączania. W kolejnych sekcjach omówimy szczegółowo, jak przeprowadzić instalację, jakie środki ostrożności należy zachować, a także jak wybrać odpowiedni wentylator do swojej łazienki. Dzięki tym informacjom, każdy będzie mógł zrealizować ten projekt z pewnością i bezpieczeństwem.
Najważniejsze informacje:
- Przed rozpoczęciem instalacji należy zawsze wyłączyć zasilanie.
- Użycie detektora napięcia jest kluczowe dla zapewnienia bezpieczeństwa.
- Właściwe zidentyfikowanie przewodów (faza, neutralny, uziemienie) jest niezbędne do prawidłowego podłączenia.
- Wentylator powinien być podłączony do obwodu oświetleniowego zgodnie z odpowiednimi kolorami przewodów.
- W przypadku wentylatorów z funkcją timera, konieczne jest dodatkowe podłączenie przewodów.
- Wybór wentylatora powinien uwzględniać wydajność oraz normy IP, aby zapewnić bezpieczeństwo w wilgotnym środowisku.
- W razie wątpliwości warto skonsultować się z wykwalifikowanym elektrykiem.
Jak bezpiecznie podłączyć wentylator łazienkowy do oświetlenia
Podłączenie wentylatora łazienkowego do oświetlenia wymaga zachowania szczególnej ostrożności. Przed przystąpieniem do jakichkolwiek prac elektrycznych, kluczowe jest, aby wyłączyć zasilanie w głównym panelu elektrycznym. Dzięki temu unikniesz ryzyka porażenia prądem oraz innych niebezpieczeństw związanych z pracami w instalacjach elektrycznych. Pamiętaj, że bezpieczeństwo jest najważniejsze, dlatego przed rozpoczęciem instalacji upewnij się, że prąd jest całkowicie wyłączony.
Warto również zwrócić uwagę na to, że odpowiednie przygotowanie do pracy, takie jak użycie detektora napięcia, może znacząco zwiększyć bezpieczeństwo. W tym artykule omówimy, jak krok po kroku podejść do procesu podłączenia wentylatora, aby zapewnić sobie pełne bezpieczeństwo oraz prawidłowe działanie urządzenia.
Wyłącz zasilanie i sprawdź, czy prąd jest wyłączony
Aby zapewnić sobie bezpieczeństwo podczas instalacji, pierwszym krokiem jest wyłączenie zasilania w głównym panelu elektrycznym. Znajdź odpowiedni bezpiecznik i upewnij się, że jest wyłączony. Następnie, aby potwierdzić, że prąd rzeczywiście nie płynie, użyj detektora napięcia. To urządzenie pozwoli Ci na dokładne sprawdzenie, czy w przewodach nie ma energii elektrycznej, co jest kluczowe dla uniknięcia niebezpieczeństwa.
Po upewnieniu się, że prąd jest wyłączony, możesz przystąpić do dalszych kroków instalacji. Pamiętaj, że nawet jeśli wyłączyłeś zasilanie, zawsze warto jeszcze raz sprawdzić detektorem napięcia, aby mieć pewność, że możesz pracować bez obaw. Tego rodzaju środki ostrożności są niezbędne, aby zminimalizować ryzyko wypadków podczas prac elektrycznych.
Jak poprawnie zidentyfikować przewody w instalacji
Identyfikacja przewodów w instalacji elektrycznej jest kluczowym krokiem w procesie jak podłączyć wentylator łazienkowy do oświetlenia. W typowej instalacji oświetleniowej znajdziesz trzy główne rodzaje przewodów: przewód fazowy, przewód neutralny oraz przewód uziemiający. Przewód fazowy, zazwyczaj oznaczony kolorem czarnym lub brązowym, dostarcza prąd do urządzenia. Przewód neutralny, który jest zazwyczaj biały, zamyka obwód, a przewód uziemiający, często w kolorze żółto-zielonym, ma na celu zapewnienie bezpieczeństwa poprzez odprowadzenie ewentualnego prądu do ziemi.
Aby prawidłowo zidentyfikować te przewody, najlepiej skorzystać z detektora napięcia, który pozwoli na sprawdzenie, które z nich są aktywne. Po wyłączeniu zasilania w panelu elektrycznym, warto jeszcze raz upewnić się, że przewody są odpowiednio oznaczone. Zrozumienie funkcji każdego przewodu jest kluczowe, aby uniknąć pomyłek podczas podłączania wentylatora do obwodu oświetleniowego. Pamiętaj, że niewłaściwe podłączenie przewodów może prowadzić do uszkodzenia urządzenia lub stwarzać zagrożenie dla bezpieczeństwa.
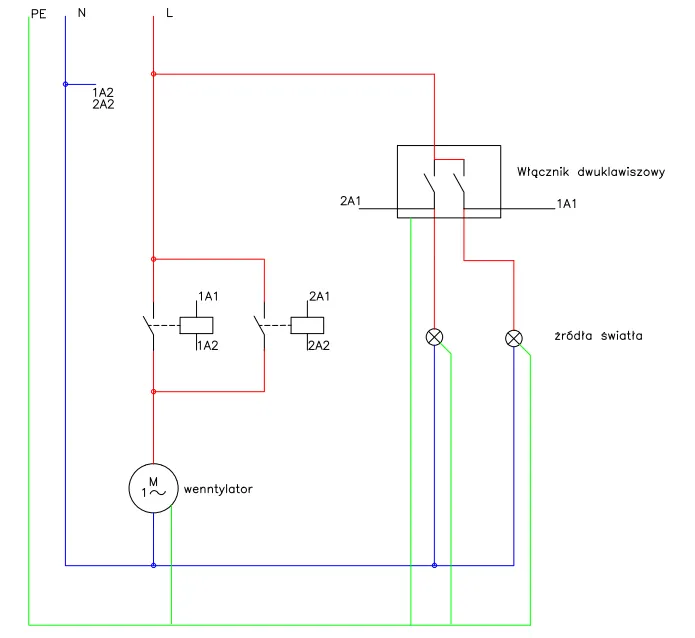
Jak połączyć przewody wentylatora z przewodami lampy
Aby prawidłowo podłączyć wentylator łazienkowy do oświetlenia, należy skupić się na połączeniu przewodów wentylatora z przewodami lampy. Przewód fazowy wentylatora, oznaczony literą "L", powinien być podłączony do przewodu fazowego lampy, który również jest oznaczony "L". Następnie przewód neutralny wentylatora, oznaczony literą "N", łączy się z przewodem neutralnym lampy. Ważne jest, aby upewnić się, że wszystkie połączenia są dobrze wykonane i zabezpieczone, aby uniknąć problemów z działaniem urządzenia.
Jeśli wentylator posiada przewód uziemiający, również należy go podłączyć do uziemienia lampy, które zazwyczaj jest w kolorze żółto-zielonym. Po wykonaniu wszystkich połączeń, warto zabezpieczyć je taśmą izolacyjną lub użyć zacisków kablowych, aby zapewnić ich stabilność. Po zakończeniu podłączenia, można przystąpić do testowania działania wentylatora i oświetlenia.
Co zrobić, jeśli wentylator ma funkcję timera
Jeśli wentylator łazienkowy jest wyposażony w funkcję timera, podłączenie wymaga dodatkowego kroku. W takim przypadku przewód fazowy wentylatora (L) należy podłączyć do zacisku oznaczonego literą "T" lub "LT" na urządzeniu. To połączenie umożliwi wentylatorowi działanie przez określony czas po wyłączeniu światła, co jest szczególnie przydatne w łazienkach, gdzie wentylacja jest kluczowa.
Po podłączeniu przewodu do zacisku timera, upewnij się, że wszystkie inne połączenia są prawidłowo wykonane, zgodnie z wcześniejszymi instrukcjami. Warto również przetestować funkcję timera, aby upewnić się, że wentylator działa zgodnie z oczekiwaniami. Dzięki temu użytkownik będzie mógł cieszyć się zarówno komfortem, jak i bezpieczeństwem w swojej łazience.

Jakie środki ostrożności zachować podczas instalacji wentylatora
Podczas instalacji wentylatora łazienkowego niezwykle ważne jest przestrzeganie odpowiednich środków ostrożności. Przede wszystkim należy zawsze wyłączać zasilanie przed rozpoczęciem jakichkolwiek prac elektrycznych, aby uniknąć ryzyka porażenia prądem. Warto również upewnić się, że wszystkie przewody są w dobrym stanie i odpowiednio oznaczone, co ułatwi późniejsze podłączenie. Dodatkowo, korzystanie z detektora napięcia przed rozpoczęciem pracy pozwoli na potwierdzenie, że w instalacji nie ma aktywnego prądu, co jest kluczowe dla bezpieczeństwa.
Innym ważnym aspektem jest zabezpieczenie wszystkich połączeń elektrycznych, aby uniknąć zwarć lub uszkodzeń. Użycie taśmy izolacyjnej lub zacisków kablowych do zabezpieczenia przewodów jest niezbędne. Warto także pamiętać o tym, aby nie przeciążać obwodów, co może prowadzić do awarii lub pożaru. Przestrzeganie tych zasad zapewni nie tylko bezpieczeństwo, ale również prawidłowe działanie wentylatora i oświetlenia w łazience.
Dlaczego warto używać detektora napięcia przed pracą
Użycie detektora napięcia przed rozpoczęciem prac elektrycznych jest kluczowym krokiem w zapewnieniu bezpieczeństwa. To urządzenie pozwala na szybkie sprawdzenie, czy w przewodach płynie prąd, co jest niezbędne do uniknięcia ryzyka porażenia. Detektory napięcia są łatwe w użyciu i mogą pomóc w identyfikacji potencjalnych zagrożeń, zanim jeszcze przystąpimy do pracy. Dzięki temu, nawet jeśli zasilanie zostało wyłączone, możemy mieć pewność, że nie ma ryzyka kontaktu z prądem.
Warto zainwestować w dobrej jakości detektor, który będzie dokładny i niezawodny. Przy jego użyciu można również sprawdzić, czy przewody są prawidłowo oznaczone oraz czy nie mają uszkodzeń. Korzystanie z detektora napięcia to prosty, ale niezwykle skuteczny sposób na zwiększenie bezpieczeństwa podczas instalacji wentylatora oraz innych prac elektrycznych.
Jak zabezpieczyć połączenia elektryczne przed uszkodzeniem
Aby skutecznie zabezpieczyć połączenia elektryczne przed uszkodzeniem, należy zastosować kilka kluczowych metod. Po pierwsze, wszystkie połączenia powinny być starannie wykonane i dobrze dopasowane, aby uniknąć luzów, które mogą prowadzić do zwarć. Użycie taśmy izolacyjnej do owijania połączeń jest jednym z najprostszych i najskuteczniejszych sposobów na zabezpieczenie przewodów. Taśma izolacyjna chroni przed wilgocią oraz przypadkowymi kontaktami z innymi przewodami czy metalowymi elementami.
Dodatkowo, warto rozważyć użycie zacisków kablowych do mocowania przewodów w puszkach instalacyjnych. Takie zaciski pomagają utrzymać porządek w instalacji i zapobiegają przypadkowemu wyciągnięciu przewodów. Upewnij się również, że wszystkie połączenia są umieszczone w odpowiednich puszkach przyłączeniowych, co dodatkowo zwiększy ich ochronę. Właściwe zabezpieczenie połączeń elektrycznych jest kluczowe dla bezpieczeństwa i niezawodności całej instalacji.
Jak dbać o wentylator łazienkowy dla jego dłuższej żywotności
Aby zapewnić dłuższą żywotność wentylatora łazienkowego, warto wdrożyć kilka prostych praktyk konserwacyjnych. Regularne czyszczenie wentylatora, szczególnie jego wirnika i kratki, pozwala na utrzymanie optymalnej wydajności. Zbierający się kurz i wilgoć mogą prowadzić do przegrzewania się silnika, co skraca jego żywotność. Dlatego warto przynajmniej raz w sezonie dokładnie oczyścić wentylator, aby zapewnić jego prawidłowe działanie.
Kolejnym istotnym aspektem jest monitorowanie hałasu wydawanego przez wentylator. Zwiększający się poziom hałasu może świadczyć o problemach z łożyskami lub innymi elementami wewnętrznymi. W takim przypadku warto rozważyć ich wymianę lub skonsultować się z profesjonalnym serwisem. Dbanie o wentylator nie tylko przedłuża jego żywotność, ale również zapewnia lepszą jakość powietrza w łazience, co jest kluczowe dla komfortu domowników.






