Planując remont łazienki, często skupiamy się na wyborze płytek czy armatury, zapominając o kluczowych detalach technicznych. Precyzyjna głębokość montażu baterii podtynkowej to jeden z tych elementów, który decyduje o funkcjonalności i estetyce całej instalacji. Błędy na tym etapie mogą okazać się niezwykle kosztowne i trudne do naprawienia po ułożeniu płytek, dlatego warto poświęcić temu zagadnieniu szczególną uwagę.
Precyzyjna głębokość montażu baterii podtynkowej klucz do funkcjonalnej i estetycznej łazienki
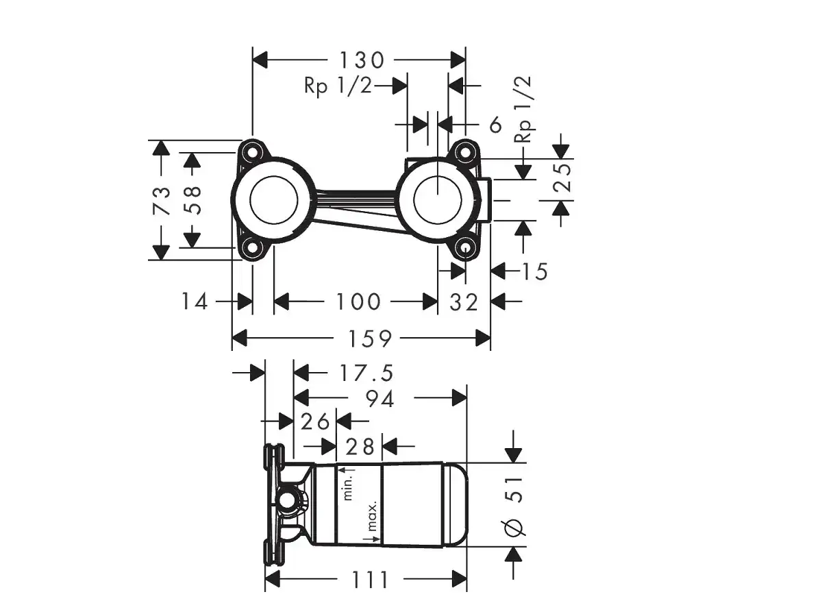
- Standardowa głębokość montażu elementu podtynkowego (boxa) wynosi zazwyczaj od 65 do 95 mm, a dla wersji slim od 45 do 60 mm.
- Kluczowe jest uwzględnienie grubości tynku, kleju do płytek i samych płytek w finalnym obliczeniu głębokości kucia.
- Zbyt płytkie osadzenie boxa uniemożliwia prawidłowe zamontowanie rozety i pokręteł, a zbyt głębokie powoduje ich "zatopienie" w ścianie.
- Zawsze należy bezwzględnie sprawdzić instrukcję montażu konkretnego producenta baterii.
- Przed zabudowaniem instalacji konieczne jest wykonanie próby ciśnieniowej w celu weryfikacji szczelności.
Z mojego doświadczenia wiem, że precyzyjne osadzenie elementu podtynkowego to podstawa sukcesu. Błędy na tym etapie są niezwykle trudne do naprawienia, gdy ściana jest już wykończona płytkami. Wszelkie korekty wymagają często demontażu części wykończenia, co generuje dodatkowe koszty i frustrację.
Czym jest element podtynkowy i dlaczego jego ukrycie ma znaczenie?
Element podtynkowy, często nazywany potocznie "boxem", to serce każdej baterii podtynkowej. Jest to ukryta w ścianie część instalacji, która zawiera mechanizm mieszający wodę oraz przyłącza do rur ciepłej i zimnej wody. Jego prawidłowe osadzenie w ścianie jest absolutnie kluczowe, ponieważ to od niego zależy nie tylko prawidłowe działanie baterii, ale także estetyka całej łazienki. Gdy box jest źle zamontowany, nawet najpiękniejsza rozeta i pokrętła nie będą wyglądać dobrze, a co gorsza, mogą nie działać poprawnie.
Konsekwencje błędnego montażu: Zbyt płytko czy zbyt głęboko?
Niestety, błędy w montażu elementu podtynkowego są częste i mają poważne konsekwencje. Jako ekspertka w branży, widziałam już wiele takich przypadków, dlatego zawsze podkreślam, jak ważna jest precyzja.
- Zbyt płytkie osadzenie: To najczęściej popełniany błąd. Skutkuje tym, że rozeta maskująca odstaje od ściany, tworząc nieestetyczną szczelinę. Pokrętła mogą ocierać o płytki, co uniemożliwia pełen zakres ich ruchu i komfortowe użytkowanie baterii. W skrajnych przypadkach montaż zewnętrznych elementów jest wręcz niemożliwy.
- Zbyt głębokie osadzenie: W tej sytuacji elementy sterujące i rozeta są "zatopione" w ścianie. Choć niektórzy producenci przewidują niewielką tolerancję (zazwyczaj około 10 mm), jej przekroczenie sprawia, że bateria wygląda nieestetycznie i jest trudna w obsłudze. Montaż może być utrudniony, a nawet niemożliwy, jeśli elementy zewnętrzne nie są w stanie dosięgnąć boxa.
Pamiętajmy, że każdy milimetr ma znaczenie. Dokładne zaplanowanie głębokości kucia to inwestycja w spokój i zadowolenie z funkcjonalnej i pięknej łazienki na lata.
Optymalna głębokość montażu dla standardowych baterii podtynkowych
Standardowe elementy podtynkowe (tzw. boxy) są projektowane z myślą o montażu w ścianach o określonej grubości. Zazwyczaj producenci podają zakres głębokości montażu, który dla typowych baterii podtynkowych mieści się w przedziale od 65 do 95 mm. Spotkałam się również z węższymi zakresami, np. 60-80 mm czy 70-90 mm. Zawsze powtarzam: najważniejsza jest instrukcja montażu konkretnego modelu baterii, którą zamierzasz zainstalować. To ona zawiera precyzyjne wytyczne od producenta. Przyjmuje się, że minimalna grubość ściany, aby bezpiecznie zamontować standardowy box, to około 70 mm.
Wersje slim: Rozwiązanie dla cienkich ścian
W dzisiejszych czasach, gdy coraz częściej mamy do czynienia z cieńszymi ścianami, np. z karton-gipsu, producenci wychodzą naprzeciw potrzebom, oferując wersje "slim" (płytkie) elementów podtynkowych. Ich głębokość montażu jest znacznie mniejsza i zazwyczaj wynosi od 45 do 60 mm. To idealne rozwiązanie, gdy standardowy box jest po prostu zbyt duży, aby zmieścić się w konstrukcji ściany bez konieczności budowania dodatkowych, pogrubiających ją ścianek instalacyjnych.
Matematyka remontowa: Jak obliczyć finalną głębokość kucia?
Obliczenie finalnej głębokości kucia to nie tylko kwestia zmierzenia boxa, ale przede wszystkim uwzględnienia wszystkich warstw wykończeniowych, które znajdą się na ścianie. To właśnie ta "matematyka remontowa" często sprawia najwięcej problemów, ale z moimi wskazówkami zrobisz to bezbłędnie.
-
Krok 1: Grubość tynku ile zapasu zostawić?
Zacznij od grubości tynku. Standardowo tynk cementowo-wapienny ma około 1,5-2 cm. Jeśli planujesz tynkowanie, musisz uwzględnić tę warstwę. Jeśli ściana jest już otynkowana, zmierz jej grubość od surowej ściany do lica tynku. Pamiętaj, że element podtynkowy powinien być osadzony tak, aby jego zewnętrzna krawędź licowała się z powierzchnią tynku lub wystawała minimalnie poza nią, aby umożliwić swobodne ułożenie kolejnych warstw.
-
Krok 2: Warstwa kleju ukryty, ale kluczowy wymiar
Kolejnym elementem jest warstwa kleju do płytek. Choć wydaje się cienka, ma znaczenie. Zazwyczaj jest to od 3 do 10 mm, w zależności od rodzaju kleju i wielkości płytek. Im większa płytka, tym grubsza zazwyczaj warstwa kleju. Zawsze doliczaj tę wartość do swoich obliczeń.
-
Przeczytaj również: Osiągnij perfekcję w wykończeniach - odkryj szeroki wybór gładzi i gipsów w sklepie eKowalczyk
Krok 3: Grubość płytki jak ją precyzyjnie uwzględnić?
Na koniec, ale nie mniej ważna, jest grubość samej płytki ceramicznej lub gresowej. Płytki ścienne mogą mieć od 6 do nawet 12 mm grubości. Zmierz grubość wybranej płytki suwmiarką lub po prostu sprawdź specyfikację producenta. To właśnie do lica płytki będzie przylegać rozeta baterii, więc musisz mieć pewność, że box będzie osadzony na odpowiedniej głębokości względem tej finalnej powierzchni.
Sumując te wszystkie warstwy, otrzymasz finalną głębokość, na jaką musisz wykuć otwór w surowej ścianie. Zawsze doliczam sobie mały zapas, około 2-3 mm, na ewentualne nierówności czy drobne korekty.
Przygotowanie wnęki: Narzędzia i technika kucia
Gdy już masz wyliczoną głębokość, czas na przygotowanie wnęki. Do kucia w ścianie betonowej czy ceglanej najlepiej sprawdzi się młotowiertarka z funkcją kucia i odpowiednim dłutem. Zawsze najpierw wyznaczam dokładny obrys boxa na ścianie, a następnie wiercę otwory w narożnikach i wzdłuż krawędzi, aby ułatwić sobie kucie. Pamiętaj, aby nie kuć zbyt głęboko od razu. Lepiej kuć warstwami i często sprawdzać głębokość, aby uniknąć uszkodzenia konstrukcji ściany czy sąsiednich instalacji.
Stabilizacja boxa: Zapewnienie idealnego pionu i poziomu
Stabilne i precyzyjne osadzenie boxa w ścianie to kolejny kluczowy etap. Użyj poziomicy, aby upewnić się, że element jest idealnie w pionie i poziomie. Wiele boxów ma specjalne mocowania lub otwory, które ułatwiają przymocowanie ich do ściany lub specjalnego stelaża. Ja zawsze staram się unikać połączeń rur wewnątrz ściany. Jeśli to możliwe, prowadzę rury (najczęściej PEX/AL/PEX o średnicy 16 mm lub miedziane 15/20 mm) w jednym odcinku, w otulinie termiczno-akustycznej, bezpośrednio do boxa. To minimalizuje ryzyko wycieków i ułatwia ewentualne serwisowanie.
Próba szczelności: Ostatni moment na poprawki
Zanim ściana zostanie otynkowana i obłożona płytkami, absolutnie konieczne jest wykonanie próby ciśnieniowej. To Twój ostatni moment na weryfikację szczelności wszystkich połączeń. Podłącz instalację do źródła wody i napełnij ją, a następnie użyj manometru, aby sprawdzić, czy ciśnienie utrzymuje się przez określony czas. Jeśli ciśnienie spada, oznacza to nieszczelność, którą musisz natychmiast zlokalizować i usunąć. Pamiętaj, że po zabudowaniu ściany, naprawa wycieku będzie wymagała kucia i zniszczenia wykończenia.
Próba szczelności to Twój ostatni dzwonek na poprawki. Nie pomijaj jej to inwestycja w spokój na lata!
Finalne wykończenie: Idealne przyleganie rozety do ściany
Precyzyjne osadzenie boxa ma bezpośrednie przełożenie na estetykę finalnego montażu. Gdy element podtynkowy jest zamontowany na idealnej głębokości, rozeta maskująca będzie doskonale przylegać do ściany, tworząc spójną i elegancką całość z płytkami. Nie będzie żadnych szczelin, a pokrętła będą działać płynnie, bez ocierania. To właśnie te detale świadczą o profesjonalizmie wykonania i zadowoleniu z efektu końcowego.
Co jednak, gdy mimo wszelkich starań, popełnimy błąd? Nikt nie jest nieomylny, a w remontach zdarzają się różne sytuacje. Na szczęście, istnieją pewne rozwiązania, które mogą uratować sytuację, choć zawsze wiążą się z dodatkowym wysiłkiem i kosztami.
Box osadzony zbyt płytko: Jakie są możliwości ratunku?
Gdy element podtynkowy został osadzony zbyt płytko, sytuacja jest trudniejsza. Jeśli ściana nie jest jeszcze wykończona, możesz spróbować pogłębić wnękę. Jeśli jednak płytki są już położone, możliwości są ograniczone. Czasami można zastosować specjalne podkładki dystansowe pod rozetę, ale to rozwiązanie jest często nieestetyczne i nie zawsze możliwe. W skrajnych przypadkach, niestety, konieczne może być częściowe skucie płytek i pogłębienie wnęki, co jest bardzo pracochłonne i kosztowne.
Box osadzony zbyt głęboko: Czy zestawy przedłużające pomogą?
W przypadku zbyt głęboko osadzonego boxa, sytuacja jest zazwyczaj nieco łatwiejsza do naprawienia. Wielu producentów oferuje specjalne zestawy przedłużające, które pozwalają na skorygowanie głębokości montażu o kilka, a nawet kilkanaście milimetrów. Są to zazwyczaj tuleje dystansowe lub dłuższe trzpienie do pokręteł. Zawsze warto sprawdzić, czy producent Twojej baterii ma w ofercie takie akcesoria. To znacznie lepsze rozwiązanie niż próba "wypchnięcia" boxa, która może uszkodzić instalację.
Pamiętaj, że precyzja w montażu baterii podtynkowej to klucz do uniknięcia problemów i cieszenia się funkcjonalną oraz estetyczną łazienką. Zawsze kieruj się instrukcją producenta i nie spiesz się na żadnym etapie prac.
Twoja checklista: 5 kluczowych punktów przed zabudowaniem ściany
- Sprawdź instrukcję producenta: Zawsze bezwzględnie kieruj się wytycznymi producenta konkretnego modelu baterii.
- Oblicz finalną głębokość: Uwzględnij grubość tynku, kleju i płytek, aby precyzyjnie określić głębokość kucia.
- Zachowaj pion i poziom: Upewnij się, że element podtynkowy jest idealnie wypoziomowany i wypionowany.
- Wykonaj próbę ciśnieniową: To ostatni moment na sprawdzenie szczelności instalacji przed jej zabudowaniem.
- Zaplanuj prowadzenie rur: Unikaj połączeń w ścianie i prowadź rury w otulinie, minimalizując ryzyko awarii.




