
Jak położyć tynk gipsowy ręczny - uniknij najczęstszych błędów
Naucz się, jak prawidłowo położyć tynk gipsowy ręczny, unikając najczęstszych błędów. Zdobądź praktyczne wskazówki i ciesz się idealnym wykończeniem.
Cześć! Jestem Agnieszka Kowalska, autorka bloga Tumw.pl. Pasjonuję się majsterkowaniem, remontami i wszelkimi pracami domowymi. Na co dzień dzielę się z Wami praktycznymi poradami, trikami i inspiracjami dotyczącymi wykończeń wnętrz, drobnych napraw i upiększania przestrzeni domowej.
Moja przygoda z DIY zaczęła się od prostych projektów, by z czasem przerodzić się w prawdziwą pasję. Dziś, łącząc doświadczenie z ciągłą chęcią nauki, pokazuję, że prace remontowe i domowe mogą być satysfakcjonujące i dostępne dla każdego.
Na Tumw.pl znajdziecie szeroki wachlarz tematów - od malowania ścian, przez renowację mebli, aż po zaawansowane projekty wykończeniowe. Moim celem jest inspirowanie i zachęcanie Was do samodzielnego tworzenia wymarzonej przestrzeni.
Zapraszam do wspólnego odkrywania świata majsterkowania i remontów. Razem udowodnimy, że każdy może zostać domowym ekspertem!

Naucz się, jak prawidłowo położyć tynk gipsowy ręczny, unikając najczęstszych błędów. Zdobądź praktyczne wskazówki i ciesz się idealnym wykończeniem.

Wybierz najlepszy styropian pod basen! Dowiedz się, jaki materiał zapewni trwałą izolację i ochronę przed wilgocią dla Twojego basenu.

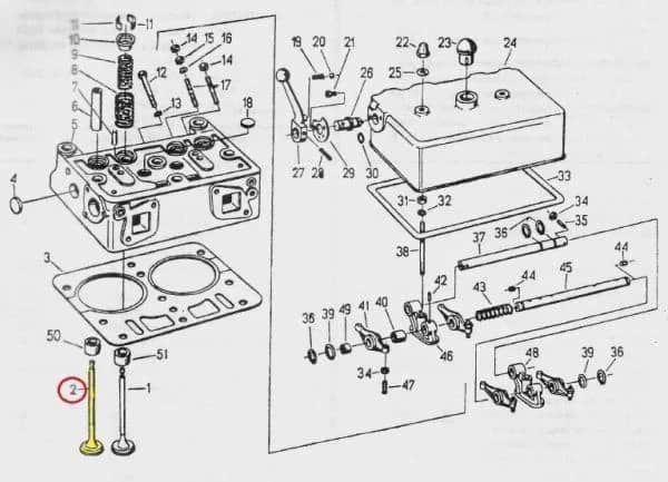
Dowiedz się, jak ustawić zawory C 330, aby zapewnić optymalną wydajność silnika i uniknąć kosztownych napraw. Sprawdź nasze praktyczne wskazówki!

Dowiedz się, czym pomalować beton, aby uzyskać trwały i estetyczny efekt. Poznaj najlepsze farby i techniki aplikacji dla idealnego wykończenia.

Zrozum, dlaczego zawór RTL na powrocie czy zasilaniu ma kluczowe znaczenie dla systemu grzewczego. Uniknij kosztownych błędów montażu i zapewnij efektywność.

Konglomerat beżowy to trwały i estetyczny materiał wykończeniowy. Poznaj jego zastosowania, właściwości oraz porady dotyczące wyboru idealnego rozwiązania.

Dowiedz się, w którą stronę zakręcić zawór wody, aby uniknąć zalania. Poznaj skuteczne metody obsługi zaworów i zapobiegaj problemom w instalacji.

Ile kosztuje budowa domu w Norwegii? Sprawdź średnie ceny, czynniki wpływające na wydatki oraz dodatkowe koszty, które musisz uwzględnić.

Parapety konglomerat Gdańsk to eleganckie i trwałe rozwiązania w atrakcyjnych cenach. Sprawdź dostępne wzory i kolory, idealne do Twojego wnętrza!

Zastanawiasz się, jaki jest lepszy wybór: zawór równoważący na zasilaniu czy powrocie? Dowiedz się, jak wpłyną na efektywność Twojego systemu.